新聞中心
投資人服務
人力資源
聯絡我們
解決方案
產品
關於台達
企業永續
常見問題
首頁
>
服務與支援
>
常見問題
>
解決方案
汽車與智慧交通
銀行與零售業
化工與自然資源
商業與工業建築
資料中心
電子
食品飲料
醫療照護
物流與倉儲
機械製造
電力與電網
檢視全部
產品服務
零組件
電源及系統
風扇與散熱管理
交通
工業自動化
樓宇自動化
資料中心
通訊基礎設施
能源基礎設施
生醫
視訊與顯像系統
關於台達
台達簡介
事業範疇
經營團隊
研發與創新
觀點與案例
大事紀與獲獎
全球營運
投資人服務
致股東報告書
財務資訊
公司治理專區
股東會
法說會
聯絡窗口
海外可交換債重大訊息
服務支援
下載中心
常見問題
故障碼查詢
台達銷售與採購條款
產品網絡安全漏洞管理政策
zh-TW
聯絡我們
FAQ
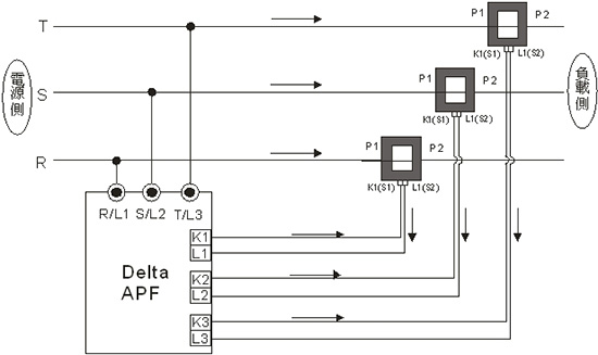
用台達主動式濾波器APF2000產品做電源治理,在單台APF2000及多台APF2000的CT與動力線的配線有何不同呢?
依現場環境的用電狀況不同,進行APF2000的規格容量計算,APF2000並聯多台,數量限制最多6台,其接線方式如下圖所示。
圖一
圖二
聯絡我們
如有疑問,歡迎聯繫,我們將儘快回覆您。
聯繫窗口
服務與支援 - 常見問題 - 台達